军D屏蔽效能电源滤波器的安装注意事项
一:GJB5792-2006《军用涉密电磁屏蔽体等级和测量方法》划分了D级电磁屏蔽体的屏蔽效能指标如下:

二:滤波器的定义、原理及漏电流产生的原因
1. 定义:低通滤波(Low-pass filter) 是一种过滤方式,规则为50HZ的工频信号电流通过,而超过设定临界值的高频信号则被阻隔、减弱,如上图。
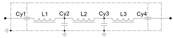
2. 原理:由电感和电容组成的复式滤波电路所构成,其中简单的滤波电路如下:

临界频率计算公式:

3. 漏电流产生的原因:是相线和中线与地线(滤波器外壳)间流过的电流。它主要取决于接地电容(Cy1、Cy2、Cy3、Cy4)的取值。较大的共模电容C可以提高插入损耗,有更好的共模滤波效果,但却造成较大的漏电电流。只要滤波器通电就会产生漏电流。为了达到标称的军D级屏蔽技术指标,滤波器的漏电流约150mA。
漏电流计算公式:I =2π*f*V*Cy
其中
f— 测试电压频率 ( 50Hz or 60Hz )
V— 测试电压 ( unit : volt )
Cy—跨接于一次侧与地或一,二次侧之间的Y电容总和.
Cy =Cy1+Cy2+Cy3+…
三:漏电保护器的工作原理
当漏电保护器正常工作时,火线零线通过零序电流互感器后再接入开关,经漏电保护器的开关接入电器,电路的电流矢量之和等于零,故其二次绕组中无感应电动势产生,漏电保护器工作于闭合状态。当被保护的电路出现触电事故或漏电故障时,负载侧有对地泄载电流,即零序电流互感器的矢量和不为零,而等于某一泄漏电流值Is。Is会通过人体、大地、变压器中性点形成回路,当Is达到一定值,大于漏电保护器的动作电流时、零序电流互感器二次绕组中便产生互感电压,该信号经过运算控制器运算后,当达到整定动作值时,驱动晶闸管,接通电磁脱扣器电源,电磁脱扣器吸合,使断路器跳闸,分断主电路,从而达到漏电保护的作用。
正常带漏电保护的空开的漏电流检测阈值是30mA,漏电流超过30mA就会跳闸。
综上所述:军D屏蔽效能电源滤波器安装时
1. 机房回路中严禁安装漏电保护器;
2. 保证滤波器地线及金属壳体安全接地。
军D屏蔽效能电源滤波器的安装注意事项
一:GJB5792-2006《军用涉密电磁屏蔽体等级和测量方法》划分了D级电磁屏蔽体的屏蔽效能指标如下:

二:滤波器的定义、原理及漏电流产生的原因
1. 定义:低通滤波(Low-pass filter) 是一种过滤方式,规则为50HZ的工频信号电流通过,而超过设定临界值的高频信号则被阻隔、减弱,如上图。
2. 原理:由电感和电容组成的复式滤波电路所构成,其中简单的滤波电路如下:

临界频率计算公式:

3. 漏电流产生的原因:是相线和中线与地线(滤波器外壳)间流过的电流。它主要取决于接地电容(Cy1、Cy2、Cy3、Cy4)的取值。较大的共模电容C可以提高插入损耗,有更好的共模滤波效果,但却造成较大的漏电电流。只要滤波器通电就会产生漏电流。为了达到标称的军D级屏蔽技术指标,滤波器的漏电流约150mA。
漏电流计算公式:I =2π*f*V*Cy
其中
f— 测试电压频率 ( 50Hz or 60Hz )
V— 测试电压 ( unit : volt )
Cy—跨接于一次侧与地或一,二次侧之间的Y电容总和.
Cy =Cy1+Cy2+Cy3+…
三:漏电保护器的工作原理
当漏电保护器正常工作时,火线零线通过零序电流互感器后再接入开关,经漏电保护器的开关接入电器,电路的电流矢量之和等于零,故其二次绕组中无感应电动势产生,漏电保护器工作于闭合状态。当被保护的电路出现触电事故或漏电故障时,负载侧有对地泄载电流,即零序电流互感器的矢量和不为零,而等于某一泄漏电流值Is。Is会通过人体、大地、变压器中性点形成回路,当Is达到一定值,大于漏电保护器的动作电流时、零序电流互感器二次绕组中便产生互感电压,该信号经过运算控制器运算后,当达到整定动作值时,驱动晶闸管,接通电磁脱扣器电源,电磁脱扣器吸合,使断路器跳闸,分断主电路,从而达到漏电保护的作用。
正常带漏电保护的空开的漏电流检测阈值是30mA,漏电流超过30mA就会跳闸。
综上所述:军D屏蔽效能电源滤波器安装时
1. 机房回路中严禁安装漏电保护器;
2. 保证滤波器地线及金属壳体安全接地。





